2024年 エントリー作品

宮野の古民家リノベーション

持ち家リノベーション・リフォーム

耐震+断熱

3,300万円

2024年07月

投票数

24 25

投票受付終了

リノベーション後 After

宮野の古民家リノベーション

改修後の外観。既存瓦屋根はそのまま使用しています。外壁はガルバリウム鋼板です。

宮野の古民家リノベーション

ウサギの部屋が併設されたリビング。小屋組みを現した杉板張りの勾配天井としています。

宮野の古民家リノベーション

床はウォルナット、壁は珪藻土で仕上げています。キッチンの上部はロフトになっています。

宮野の古民家リノベーション

キッチン前に造作したダイニングカウンター。

宮野の古民家リノベーション

既存の床の間、ガラス障子を再利用した和室。

宮野の古民家リノベーション

オフィスのミーティングルー。窓から見える田園風景。

リノベーション前 Before

  • 宮野の古民家リノベーション

    改修前の外観、屋根瓦は葺き替えして間もなく、きれいな状態です。

  • 宮野の古民家リノベーション

    改修前の和室。床の間のかたちは残すことになりました。

  • 宮野の古民家リノベーション

    改修前の台所。北側で暗い台所でした。

  • 宮野の古民家リノベーション

    既存浴室は床がタイル、壁はモルタルと土壁でした。

  • 宮野の古民家リノベーション

    南庭に面する窓は木製建具で隙間の大きな状況でした。

リノベーション施工中 Process

  • 宮野の古民家リノベーション

    既存解体後の外観

  • 宮野の古民家リノベーション

    解体後の内観 床の間のみ残しています

  • 宮野の古民家リノベーション

    増築部の基礎工事の様子

  • 宮野の古民家リノベーション

    床組工事中。床断熱材を施工しています。

  • 宮野の古民家リノベーション

    断熱工事中。壁、天井をグラスウール断熱プラス気密シートを施工しています。

  • 宮野の古民家リノベーション

    コンセント周りの気密施工状況

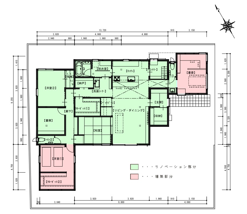
間取り Plan

リノベーション前

  • 宮野の古民家リノベーション

    既存の間取りは、南側に和室が3室、北に台所等の水回りが配置されていました。北西の洋室は後ほど増築された部屋です。

リノベーション後

  • 宮野の古民家リノベーション

    東側にオフィス、南側に寝室を増築し、南庭に面する場所にLDKと小上がり和室を配置しました。キッチンの対面に食事用のカウンターテーブルを造作し、リビングを広々と使えるプランです。キッチンの上部はロフトになり、パントリーに設けた階段からアクセスします。西側にはゲストルームと趣味室を設けています。

物件概要

所在地
山口県山口市宮野下
敷地面積
366.73㎡(110.93坪)
延床面積
146.60㎡(44.34坪)
構造
木造在来工法 平屋建
既存建築年
1967年(築59年)
改修竣工年月
2024年07月
断熱性能
UA値 改修前3.65w/㎡・K⇒改修後0.66w/㎡・K(改修前の5倍に向上)
耐震性能
上部構造評点 改修前0.27 ⇒ 改修後1.58

企業紹介

企業名
株式会社再生工舎
Webサイト
https://kinoie-saisei.com/
コメント

「(株)再生工舎」の「再生」とは、空き家再生、古民家再生などの建築物の再生事業(リフォーム・リノベーション)のことです。その名の通り、建物を改修するプロフェッショナルとして活動しています。
古くなっても価値のある建物は数多くあります。私たちは建物を「適切に治す」ことを原則とし、表層的なリフォームではなく、耐震性や断熱性を高める性能向上リフォームを行うことで安心・快適な住まいをつくることを使命としています。

グレードとは

性能向上リノベでは、断熱と耐震のそれぞれの現行基準を3段階に分類し、基準を策定。性能向上リノベーションがされた証として、必要なエビデンス情報を登録し、安心・快適な家であるお墨付きの証として「性能向上登録証」を発行しています。これからの時代に選ばれる、安心・快適な家を可視化します。

断熱

ランク UA値 断熱等級
0.46 6
0.60 5
0.87 4
耐熱の説明

耐震

ランク 上部構造評点 耐震等級
1.5以上 3
1.25~1.5
未満
2
1.0~1.25
未満
1
耐震の説明
  • 建物は、自立循環型モデル住宅(在来工法)を対象に、地域区分は、6・7地域(都心部を中心)に策定しています。
  • UA値(外皮平均熱貫流率)とは住宅の内部から床、外壁、屋根(天井)や開口部などを通過して外部へ逃げる熱量を外皮全体で平均した値。値が小さいほど熱が逃げにくく、省エネルギー性能が高いことを示します。
  • 上部構造とは壁や柱など家の構造物のこと。上部構造評点とは、震度6強の地震で建物が倒壊しないために必要な力を数値で表した必要耐力(Qr)に対する現状の耐力の割合を表します。
  • 既存木造住宅の上部構造評点1.0、1.25、1.5は、品確法においての耐震等級1、2、3レベルに相当します。