2022年 エントリー作品

平屋の和モダンリノベーション

中古物件購入+リノベーション

断熱

1,500万円

2022年03月

投票数

20 21

投票受付終了

リノベーション後 After

平屋の和モダンリノベーション

玄関引戸はれん樹を採用。

平屋の和モダンリノベーション

主寝室。置きタタミを採用し、ご友人が泊りに来た際にはここで寝泊まり。

平屋の和モダンリノベーション

音楽とお料理でお客様をおもてなし。

平屋の和モダンリノベーション

二重窓で防音もばっちり。

平屋の和モダンリノベーション

書斎にも和室用の内窓を採用。

リノベーション前 Before

  • 平屋の和モダンリノベーション
  • 平屋の和モダンリノベーション
  • 平屋の和モダンリノベーション
  • 平屋の和モダンリノベーション

リノベーション施工中 Process

  • 平屋の和モダンリノベーション
  • 平屋の和モダンリノベーション
  • 平屋の和モダンリノベーション

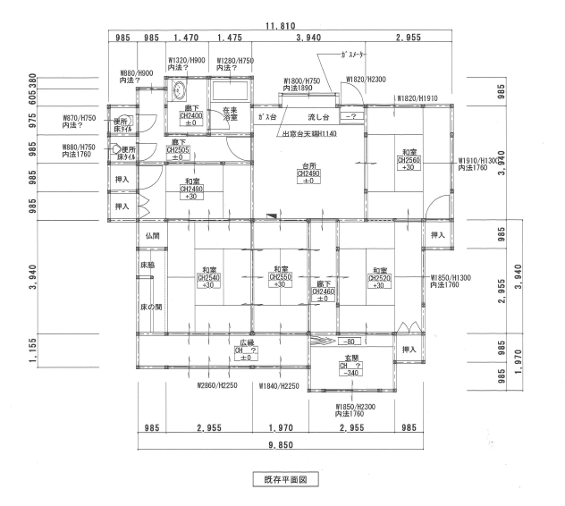
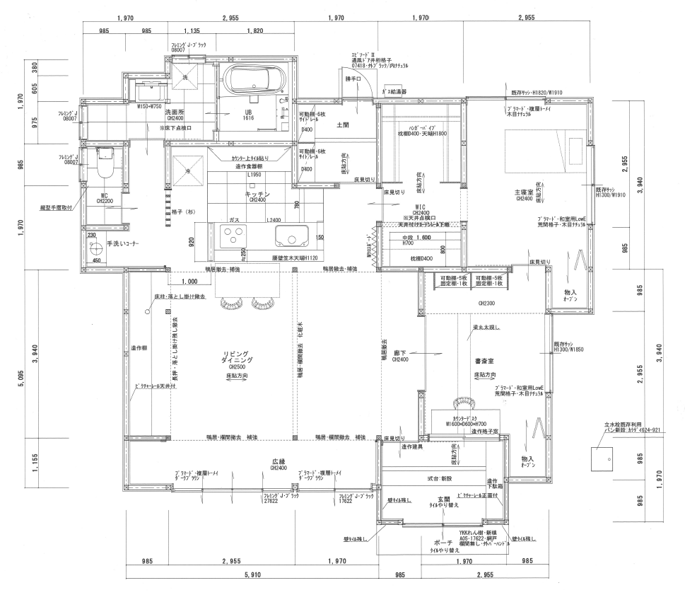
間取り Plan

リノベーション前

  • 平屋の和モダンリノベーション

    和室5室+ダイニング

リノベーション後

  • 平屋の和モダンリノベーション

    2LDK+WIC

物件概要

所在地
岡山県倉敷市
敷地面積
357.8㎡(108.2坪)
延床面積
103㎡(31.15坪)
構造
木造軸組在来工法1階建
既存建築年
1977年(築49年)
改修竣工年月
2022年03月
設計

重見真理子

施工

中本住建

企業紹介

企業名
株式会社エスプラス

グレードとは

性能向上リノベでは、断熱と耐震のそれぞれの現行基準を3段階に分類し、基準を策定。性能向上リノベーションがされた証として、必要なエビデンス情報を登録し、安心・快適な家であるお墨付きの証として「性能向上登録証」を発行しています。これからの時代に選ばれる、安心・快適な家を可視化します。

断熱

ランク UA値 断熱等級
0.46 6
0.60 5
0.87 4
耐熱の説明

耐震

ランク 上部構造評点 耐震等級
1.5以上 3
1.25~1.5
未満
2
1.0~1.25
未満
1
耐震の説明
  • 建物は、自立循環型モデル住宅(在来工法)を対象に、地域区分は、6・7地域(都心部を中心)に策定しています。
  • UA値(外皮平均熱貫流率)とは住宅の内部から床、外壁、屋根(天井)や開口部などを通過して外部へ逃げる熱量を外皮全体で平均した値。値が小さいほど熱が逃げにくく、省エネルギー性能が高いことを示します。
  • 上部構造とは壁や柱など家の構造物のこと。上部構造評点とは、震度6強の地震で建物が倒壊しないために必要な力を数値で表した必要耐力(Qr)に対する現状の耐力の割合を表します。
  • 既存木造住宅の上部構造評点1.0、1.25、1.5は、品確法においての耐震等級1、2、3レベルに相当します。